
Surface drive sockets are designed to retain contact with flat sides of nut to transmit high torque and reduce nut wear.
Compared to FLAT DRIVE, SURFACE DRIVE utilizes contact on the larger area closer to the center of the bolt or nut.
SURFACE DRIVE is useful for painted face nuts or any bolt or nut made of soft material, with less risk of damaging the faces. SURFACE DRIVE can also be useful for a bolt or nut that has been damaged or deformed.
| Drive Size: |
1/2" |
| Drive Shape: |
Square |
| Length: |
37mm |
| Type: |
Surface Drive Socket |
| Output Size: |
18mm |
| Opening: |
Surface
|
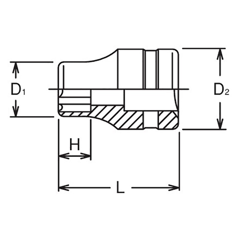
Product Dimension (Refer Line Drawing Image):
| D1 Size: |
25.1mm |
| D2 Size: |
24mm |
| H Size: |
13mm |
| L Size: |
37mm |
