TORX® is recognized as one of the three most efficient fastening systems because of their ability to transfer greater torque, reduce load and virtually eliminate tool slippage.
| Input Drive Size: |
3/8" |
| Drive Shape: |
Square |
| Length: |
80mm |
| Type: |
Impact TORX Deep Socket |
| Output Size: |
E8 |
| Opening: |
TORX |
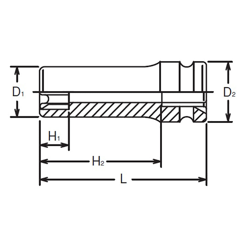
Product Dimension (Refer Line Drawing Image):
| D1 Size: |
11.7mm |
| D2 Size: |
19mm |
| H1 Size: |
7mm |
| H2 Size: |
66.5mm |
| L Size: |
80mm |
