Skip to content

3/8 Sq. Dr. Bolt Twister 3mm Length 32mm

SKU: 3129.32-3

IN STOCK! Currently 0 Available
OUT OF STOCK
Out of Stock! PREORDER NOW
HURRY! LET BUY NOW

Out of Stock! PREORDER NOW

CAD $18.22
Save CAD $0.00
Quantity

A CONVENIENT TOOL FOR RECOVERY

A Ko-ken bolt twister is used for the removal of broken bolts whose heads have come off.

To use our bolt twister drill a hole in the center of the broken bolt, insert the bolt twister into the hold, turn left until it sticks and then keep turning to remove the bolt.

Input Dive Size: 3/8"
Drive Shape: Square
Length: 32mm
Type: Bolt Twister
Output Size: 3mm


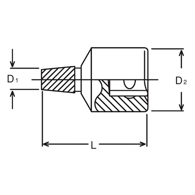
Product Dimension (Refer Line Drawing Image):

D1 Size: 3mm
D2 Size: 19mm
L Size: 32mm

SHOP RELATED PRODUCTS

Compare products

{"one"=>"Select 2 or 3 items to compare", "other"=>"{{ count }} of 3 items selected"}

Select first item to compare

Select second item to compare

Select third item to compare

Compare