Skip to content

1/4 Sq. Dr. Aerospace 12 Point SAE Chrome Socket in 3/8

SKU: AS2305A-3/8

IN STOCK! Currently 0 Available
OUT OF STOCK
Out of Stock! PREORDER NOW
HURRY! LET BUY NOW

Out of Stock! PREORDER NOW

CAD $15.41
Save CAD $0.00
Quantity

Metric, ¼” drive, 12 Point, Deep, Chrome Hand Sockets. 12-point (double-hexagonal) configurations: 12-point sockets can be used on square nuts and fasteners, and also offer double the amount of starting points. The design is normally only used for general purpose applications because it can greatly increase the chance of rounding or slipping off a nut or fastener. 12-points are preferred however because that are faster and more versatile to use than standard 6-points.

Input Drive Size: 1/4"
Drive Shape: Square
Length: 50mm
Type: 12 Point Deep Socket AS954
Output Size: 3/8"
Opening: `12pt


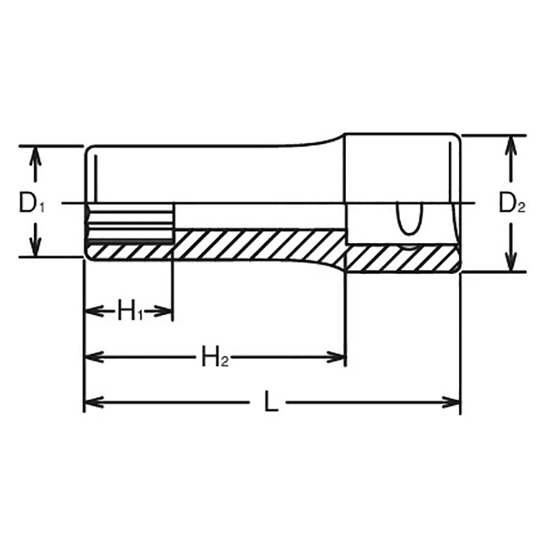
Product Dimension (Refer Line Drawing Image):

D1 Size: 13.7mm
D2 Size: 12.8mm
H1 Size: 11mm
H2 Size: 39mm
L Size: 50mm

SHOP RELATED PRODUCTS

Compare products

{"one"=>"Select 2 or 3 items to compare", "other"=>"{{ count }} of 3 items selected"}

Select first item to compare

Select second item to compare

Select third item to compare

Compare