Skip to content

1/4 Sq. Dr. Socket 11mm 6 point Length 50mm

SKU: 2300M-11

IN STOCK! Currently 0 Available
OUT OF STOCK
Out of Stock! PREORDER NOW
HURRY! LET BUY NOW

Out of Stock! PREORDER NOW

CAD $13.33
Save CAD $0.00
Quantity

Metric, ¼” drive, 6 Point, Deep, Chrome Hand Sockets. A six-point socket is designed to contact the head of a fastener well away from the corners so contact is made on the thickest part of the fastener. the edges of a socket are angled back a few degrees to allow the socket to slide easily over a fastener.

Input Drive Size: 1/4"
Drive Shape Square
Length: 50mm
Type: 6 Point Deep Socket
Output Size: 11mm
Opening: 6pt


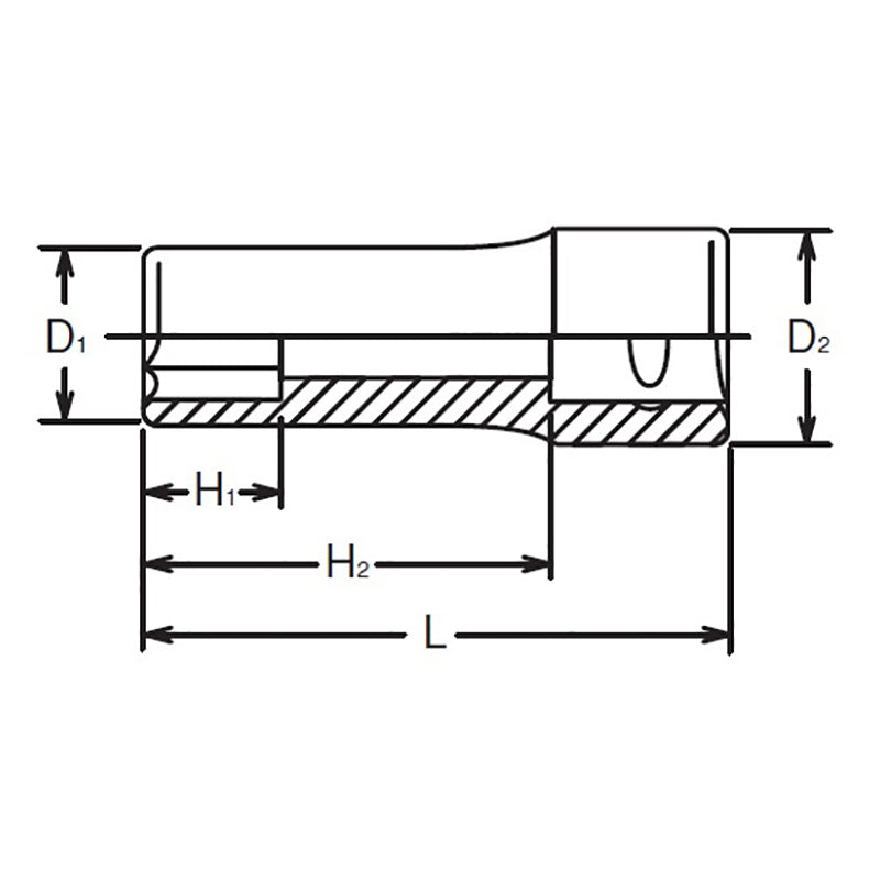
Product Dimension (Refer Line Drawing Image):

D1 Size: 15.5mm
D2 Size: 14.3mm
H1 Size: 12mm
H2 Size: 39mm
L Size: 50mm

SHOP RELATED PRODUCTS

Compare products

{"one"=>"Select 2 or 3 items to compare", "other"=>"{{ count }} of 3 items selected"}

Select first item to compare

Select second item to compare

Select third item to compare

Compare