
METRIC, 1/2” DRIVE, PATHFINDER, STANDARD LENGTH, IMPACT SOCKET.
The beveled flats of the 6-point opening of the PATHFINDER socket engage the nut almost immediately. PATHFINDER sockets are ideal for use with power tools in automatic assembly processes, as the power tool does not have to be totally stopped for the socket to engage the nut.
| Input Drive Size: |
1/2" |
| Drive Shape: |
Square |
| Length: |
38mm |
| Type: |
Pathfinder Socket |
| Output Size: |
23mm |
| Opening: |
Pathfinder |
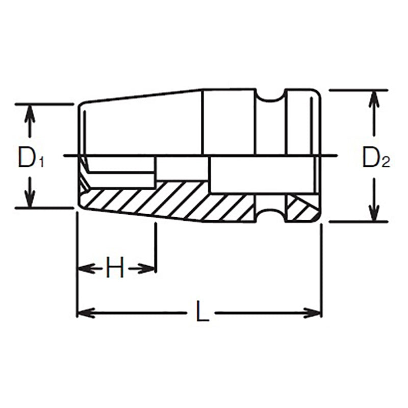
Product Dimension (Refer Line Drawing Image):
| D1 Size: |
33.2mm |
| D2 Size: |
30mm |
| H Size: |
15mm |
| L Size: |
38mm |
