Skip to content

2.1/2 Sq. Dr. Socket 170mm 6 point Length 207mm

SKU: 19400M-170

IN STOCK! Currently 0 Available
OUT OF STOCK
Out of Stock! PREORDER NOW
HURRY! LET BUY NOW

Out of Stock! PREORDER NOW

CAD $8,109.80
Save CAD $0.00
Quantity

Input Drive Size: 2 1/2"
Drive Shape: Square
Length: 207mm
Type: 6 Point Impact Socket
Output Size: 170mm


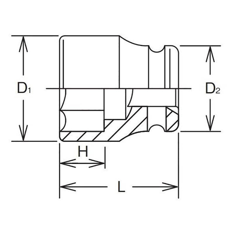
Product Dimension (Refer Line Drawing Image):

D1 Size: 235mm
D2 Size: 175mm
H Size: 106mm
L Size: 207mm

SHOP RELATED PRODUCTS

Compare products

{"one"=>"Select 2 or 3 items to compare", "other"=>"{{ count }} of 3 items selected"}

Select first item to compare

Select second item to compare

Select third item to compare

Compare