Skip to content

3.1/2 Sq. Dr. Socket 115mm 6 point Length 183mm

SKU: 10400M-115

IN STOCK! Currently 0 Available
OUT OF STOCK
Out of Stock! PREORDER NOW
HURRY! LET BUY NOW

Out of Stock! PREORDER NOW

CAD $5,081.08
Save CAD $0.00
Quantity

Input Drive Size: 3 1/2"
Drive Shape: Square
Length: 183mm
Type: 6 Point Impact Socket
Output Size: 115mm


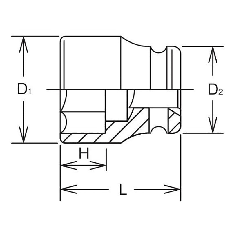
Product Dimension (Refer Line Drawing Image):

D1 Size: 175mm
D2 Size: 175mm
H Size: 90mm
L Size: 183mm

SHOP RELATED PRODUCTS

Compare products

{"one"=>"Select 2 or 3 items to compare", "other"=>"{{ count }} of 3 items selected"}

Select first item to compare

Select second item to compare

Select third item to compare

Compare