Skip to content

3/8 Sq. Dr. Socket 3/8 6 point Length 32mm Self-Tapping screw

SKU: 13460A-3/8

IN STOCK! Currently 0 Available
OUT OF STOCK
Out of Stock! PREORDER NOW
HURRY! LET BUY NOW

Out of Stock! PREORDER NOW

CAD $24.74
Save CAD $0.00
Quantity
Input Drive Size: 3/8"
Drive shape: Square
Length: 32mm
Type: 6 Point Socket with Self-Tapping Screw
Output size: 3/8"


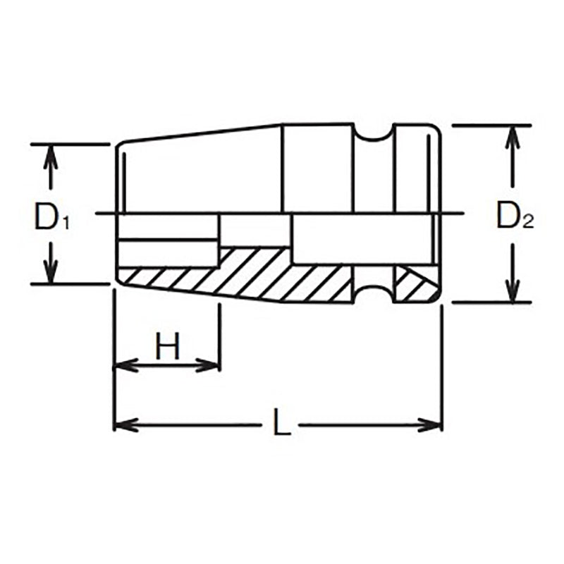
Product Dimension (Refer Line Drawing Image):

D1 Size: 16.6mm
D2 Size: 19mm
H Size: 7mm
L Size: 32mm

SHOP RELATED PRODUCTS

Compare products

{"one"=>"Select 2 or 3 items to compare", "other"=>"{{ count }} of 3 items selected"}

Select first item to compare

Select second item to compare

Select third item to compare

Compare