Skip to content

3/8 Sq. Dr. Socket 19mm 12 point Length 32mm Thin walled

SKU: 13406M-19

IN STOCK! Currently 0 Available
OUT OF STOCK
Out of Stock! PREORDER NOW
HURRY! LET BUY NOW

Out of Stock! PREORDER NOW

CAD $22.32
Save CAD $0.00
Quantity

Input Drive Size: 3/8"
Drive Shape: Square
Length: 32mm
Type: 12 Point Thin Wall Socket
Output Size: 19mm
Opening: 12pt


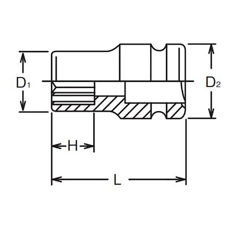
Product Dimension (Refer Line Drawing Image):

D1 Size: 26mm
D2 Size: 21.5mm
H Size: 12mm
L Size: 32mm

SHOP RELATED PRODUCTS

Compare products

{"one"=>"Select 2 or 3 items to compare", "other"=>"{{ count }} of 3 items selected"}

Select first item to compare

Select second item to compare

Select third item to compare

Compare