Skip to content

3/8 Sq. Dr. Nut Twister 15mm Length 32mm

SKU: 3127-15

IN STOCK! Currently 0 Available
OUT OF STOCK
Out of Stock! PREORDER NOW
HURRY! LET BUY NOW

Out of Stock! PREORDER NOW

CAD $47.76
Save CAD $0.00
Quantity

3/8” DRIVE, NUTTWISTER

The NUTTWISTER's six teeth have a special helical structure that tapers inward, locking onto the rounded-off bolt or nut for removal. The NUTTWISTER can be applied to any round bolts like stud bolts, cap bolts, provided the correct size is used and the bolt or nut is unbroken.

Input Drive Size: 3/8"
Drive Shape: Square
Length: 32mm
Type: Nut Twister
Output Size: 15mm


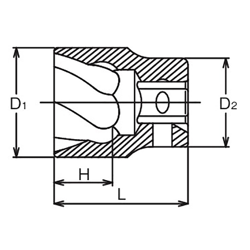
Product Dimension (Refer Line Drawing Image):

D1 Size: 20.7mm
D2 Size: 19mm
H Size: 14mm
L Size: 32mm

SHOP RELATED PRODUCTS

Compare products

{"one"=>"Select 2 or 3 items to compare", "other"=>"{{ count }} of 3 items selected"}

Select first item to compare

Select second item to compare

Select third item to compare

Compare