Metric, ¼” drive, 12 Point, Standard Length, Chrome Hand Sockets. 12-point (double-hexagonal) configurations: 12-point sockets can be used on square nuts and fasteners, and also offer double the amount of starting points. The design is normally only used for general purpose applications because it can greatly increase the chance of rounding or slipping off a nut or fastener. 12-points are preferred however because that are faster and more versatile to use than standard 6-points.
| Input Drive Size: |
1/4" |
| Drive Shape: |
Square |
| Length: |
22mm |
| Type: |
12 Point Socket |
| Output Size: |
4.5mm |
| Opening: |
12pt |
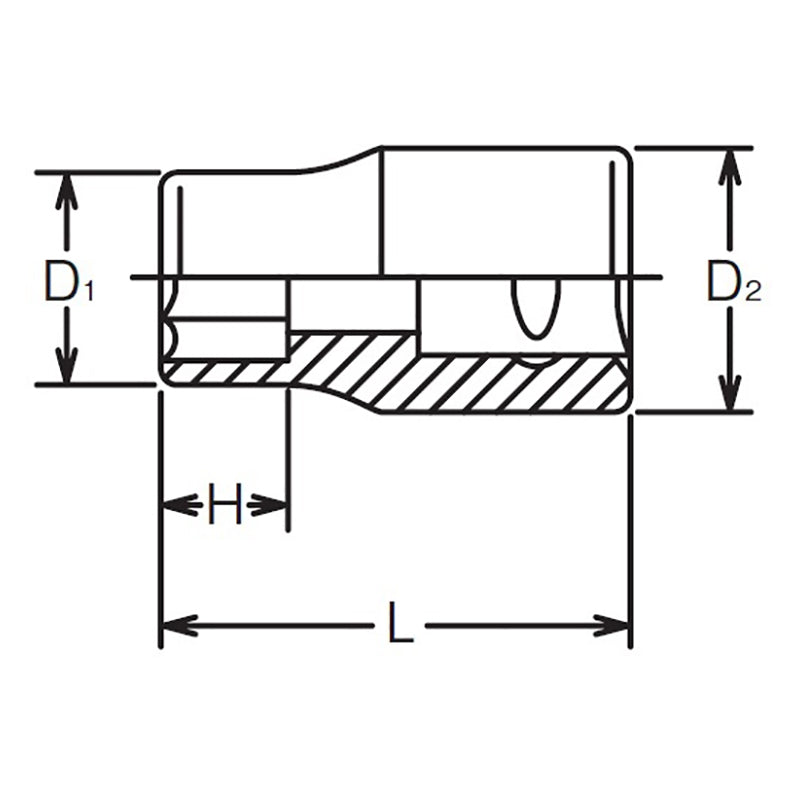
Product Dimension (Refer Line Drawing Image):
| D1 Size: |
7.3mm |
| D2 Size: |
11.2mm |
| H Size: |
4mm |
| L Size: |
22mm |
