SAE, ¼” drive, 6 Point, Standard Length, Chrome Hand Sockets. A six-point socket is designed to contact the head of a fastener well away from the corners so contact is made on the thickest part of the fastener. the edges of a socket are angled back a few degrees to allow the socket to slide easily over a fastener.
| Input Drive Size: |
1/4" |
| Drive Shape: |
Square |
| Length: |
22mm |
| Type: |
6 Point Socket |
| Output Size: |
9/32" |
| Opening: |
6pt |
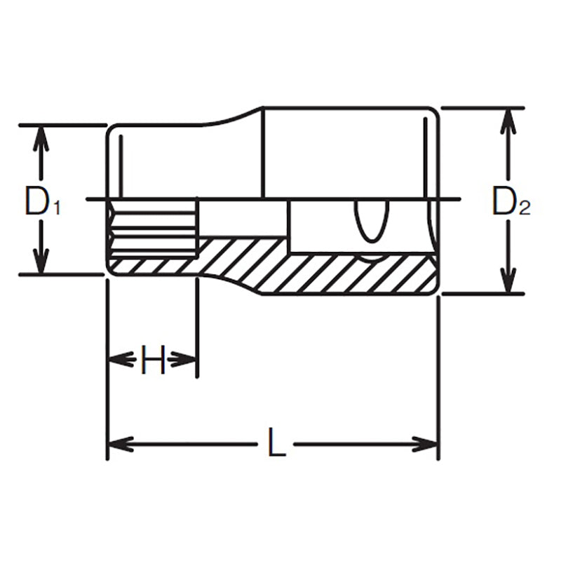
Product Dimension (Refer Line Drawing Image):
| D1 Size: |
10.3mm |
| D2 Size: |
11.2mm |
| H Size: |
6mm |
| L Size: |
22mm |
