Skip to content

1/4 Sq. Dr. Socket 3/8 Double Square Length 22mm

SKU: 2415A-3/8

IN STOCK! Currently 0 Available
OUT OF STOCK
Out of Stock! PREORDER NOW
HURRY! LET BUY NOW

Out of Stock! PREORDER NOW

CAD $11.26
Save CAD $0.00
Quantity

SAE, ¼” drive, Double Square, Standard Length, Chrome Hand Sockets. Double Square socket: Drive with 8 equally spaced sides, each with a 90 degree angle. The 8 equal sides allow for easy alignment to square head bolts.

Input Drive Size: 1/4"
Drive Shape: Square
Length: 22mm
Type: Double Square Socket
Output Size: 3/8"
Opening: Double Square


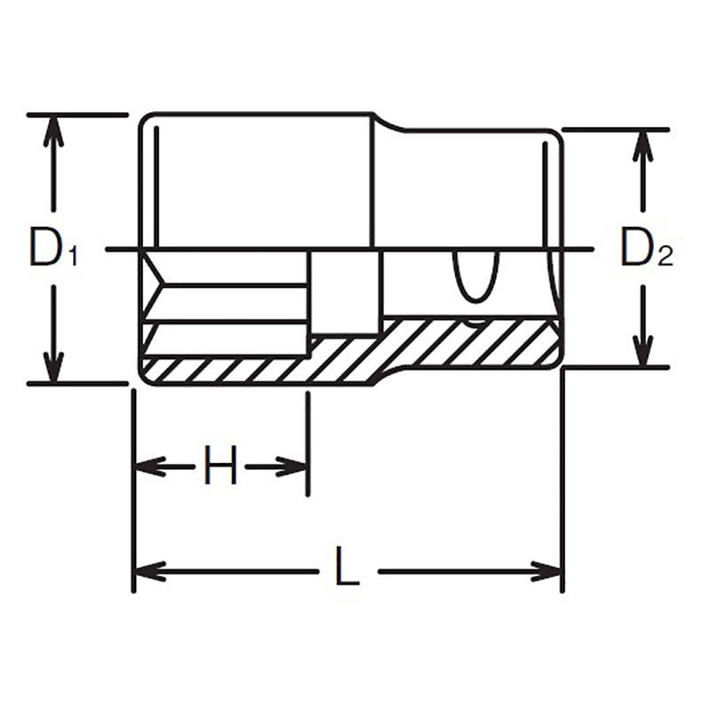
Product Dimension (Refer Line Drawing Image):

D1 Size: 17.4mm
D2 Size: 16mm
H Size: 8.2mm
L Size: 22mm

SHOP RELATED PRODUCTS

Compare products

{"one"=>"Select 2 or 3 items to compare", "other"=>"{{ count }} of 3 items selected"}

Select first item to compare

Select second item to compare

Select third item to compare

Compare