Skip to content

1/4 Hex Dr. 24mm 6 point 58mm For Construction site

SKU: HA004-24

IN STOCK! Currently 0 Available
OUT OF STOCK
Out of Stock! PREORDER NOW
HURRY! LET BUY NOW

Out of Stock! PREORDER NOW

CAD $26.29
Save CAD $0.00
Quantity

Input Drive Size: 1/4"
Drive Shape: Hex
Length: 58mm
Type: 6 Point Bit Socket for Construction Site
Output Size: 24mm


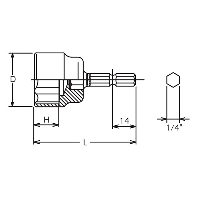
Product Dimension (Refer Line Drawing Image):

D Size: 31mm
H Size: 16.5mm
L Size: 58mm

SHOP RELATED PRODUCTS

Compare products

{"one"=>"Select 2 or 3 items to compare", "other"=>"{{ count }} of 3 items selected"}

Select first item to compare

Select second item to compare

Select third item to compare

Compare